
Факельные сепараторы
Факельный сепаратор ФС — это очистительное оборудование, служащее для отделения капель жидкости и других примесей от газа, поступающего на факел.
Области использования
Сепаратор ФС является частью факельной установки и применяется в промышленном производстве в т.ч. на газораспределительных станциях.
Аппаратный узел входит в факельную систему, которая перегоняет нефть, газ и другие продукты нефтехимической промышленности, а также применяется при очистке других природных ресурсов.
Условия применения
Условия применения фильтр сепараторов ФС различаются температурой (до -60 градусов Цельсия), сейсмичностью (до 9 баллов по 12 бальной шкале).
Сепаратор факельный размещают на открытой и закрытой обогреваемой площадке, в зависимости от температуры.
Классификация факельных установок
Место расположения:
- высотные (горелка находится в верхней части);
- наземные (горелка находится в нижней части).
Высота установок:
- средняя ( до 25 метров);
- высокая (от 25 метров).
По силе давления:
- низкое давление (до 0,2 Мпа);
- высокое давление (от 0,2 Мпа).
Материальное исполнение
Факельные системы производятся на основе стандартов качества ТУ 3615-001-24009276-2015 и ОСТ 26291-94.
Условное давление в аппарате не должно превышать 4 Мпа.
Объем емкости варьируется от 4 до 140 м3.
Исполнение факельных коллекторов зависит от условий эксплуатации:
- Если температура на открытой площадке не ниже -40 градусов Цельсия, то используемое климатическое исполнение - сталь конструкционная низколегированная для сварных конструкций, гарантирующая ударную вязкость при т=-40 гр.С., а также после механического старения. Марка стали 09Г2С-12.
- Если температура варьируется от -40 до -60 градусов Цельсия на открытой площадке, то используемое климатическое исполнение - сталь конструкционная низколегированная для сварных конструкций, гарантирующая ударную вязкость не ниже 30 Дж/см2 (3 кгс×м/см2) при температуре испытания минус 60 °С. Марка стали 09Г2С-8.
Чтобы рассчитать цены на сепаратор для очистки, то необходимо уточнить конструкцию факельного сепаратора.
При поставке факельных сепараторов должны соблюдаться следующие требования:
- полное сжигание без образования промежуточных продуктов;
- стабильное положение факела при перемене состава и объема газов;
- безопасная воспламеняемость;
- нет яркого света;
- нет шума.
| Исполнение | 1 | 2 |
|---|---|---|
| Средняя температура самой холодной пятидневки, °C | не ниже -40 | от -40 до -60 |
| Температура рабочей среды, °C | от -30 до +50 | от -55 до +50 |
| Материал основных деталей | 09Г2С-12 ГОСТ 5520-79 | 09Г2С-8 ГОСТ 5520-79 |
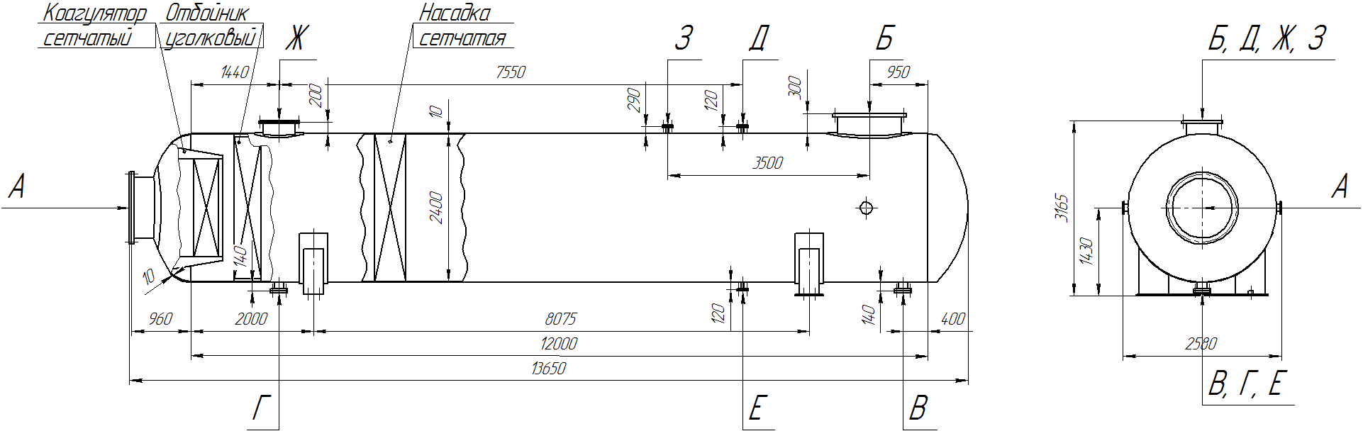
Принцип работы и способ очистки.
Факельный сепаратор – это горизонтальный цилиндр с сетчатыми насадками уголковой и вертикальной. Этапы очистки следующие:
- Смесь газа и жидкости попадает во входной штуцер;
- Смесь равномерно распределяется при помощи уголковой насадки и конденсат частично оседает;
- Дальше смесь попадает в вертикальную сетчатую насадку, где проходит второй этап очистки от жидких капель;
- Итоговый этап очистки происходит в гравитационном осаждении, где с помощью гравитационных сил жидкость отделяется от газа;
- Выделенная жидкость попадает в дренажную емкость.
По желанию заказчика сепараторы для очистки газа от жидкости могут поставляться с термообработкой и без.
Аппараты без термообработки работают в средах, в которых природный газ отвечает следующему составу:
- Сероводород не более 0,001%;
- Есть жидкая фаза конденсатных смесей;
- Есть вода;
- Есть газ метанол;
- Есть соединения замедляющие коррозию (ингибиторы).
Аппараты с термообработкой функционируют в средах, где природный газ отвечает следующему составу:
- Сероводород не более 70%;
- Углекислый газ не более 70%;
- Есть жидкая фаза конденсатных смесей;
- Есть вода;
- Есть газ метанол;
- Есть соединения замедляющие коррозию (ингибиторы).
Такому цилиндру присваивается категория V по РТМ 26-02-63-83.
Требования к сейсмичности площадки строительства
Благодаря передовым технологиям производства, сепарационное оборудование ООО НПО "Спецнефтемаш" способно выдерживать сейсмические воздействия вплоть до 9 баллов по шкале MSK-64. Проведенные в сентябре 2017 года испытания подтвердили это на практике, в результате чего был получен Сертификат Соответствия требованиям нормативных документов ГОСТ 30546.1-98, ГОСТ 30546.2-98, ГОСТ 30546.3-98.
Таким образом, если вам необходимо качественное сепарационное оборудование при строительстве объектов нефте-газовой промышленности в сейсмически активных районах, ООО НПО "СпецНефтеМаш" готов удовлетворить ваш спрос.
Пример условного обозначения при заказе факельного сепаратора
1600 – внутренний диаметр в мм; 2 – материальное исполнение (сталь 09Г2С-8); Т – с термообработкой; И – с деталями для изоляции.
Производство факельных сепараторов
Компания ООО "НПО "Спецнефтемаш" производит очистительное оборудование для различных сфер производства с эффективностью фильтрации не менее 99%.
Продажа факельных сепараторов может быть предложена в блочном исполнении.
Вся продукция отправляется транспортными компаниями как в любую точку России, так и за рубеж.
Большой опыт в производстве емкостного оборудования и жесткий контроль качества позволяет нам производить факельные аппараты для различных сред в т.ч. и высокоагрессивным.
Все аппараты проходят испытания на требования технике безопасности и санитарных норм. У нас продувка оборудования обязательна при производстве сепараторов факельных.
Информация для Заказчиков
Связавшись c нашей компанией по контактным данным на сайте вы можете получить:
- всю информацию о производстве и реализации сепараторов факельных ФС 1000 и данные как купить факельные сепараторы в Каспийске;
- полный прайс-лист и цену на факельный сепаратор ФС;
- полную информацию о разработке технической документации на факельные сепаратор.
Типовые чертежи:
ТЕХНИЧЕСКИЕ ХАРАКТЕРИСТИКИ
-
Условное обозначение сепаратора Номинальный объем, м3 Производительность по газу, м3/ч (м3/сутки) Давление МПа, (кгс/см2) D Sk Sd L I Масса, кг рабоч. расчет. 1000-1 4 41700 (1000000) 0,5 (5) 0,6 (6) 1000 6 6 6780 6000 2150 1000-1-Т 8 8 2550 1000-2 6 6 2150 1800-1 25 125000 (3000000) 1800 8 8 10350 9000 5650 1800-1-Т 10 10 6650 1800-2 8 8 5650 2400-1 60 208300 (5000000) 2400 8 10 13650 12000 10300 2400-1-Т 10 12 13690 12200 240-2 8 10 13650 10300 3200-1 140 417000 (10000000) 3200 10 12 18115 16000 21100 3200-1-Т 12 14 24200 3200-2 10 12 21100 -
Обозначение Назначение Условное обозначение сепаратора 1000-1 1800-1 2400-1 3200-1 1000-2 1800-2 2400-2 3200-2 Кол. Проход условный Dy, мм Кол. Проход условный Dy, мм Кол. Проход условный Dy, мм Кол. Проход условный Dy, мм А вход газа 1 400 1 400 1 1000 1 1400 Б выход газа В выход жидкости 100 150 200 300 Г дренаж 150 100 150 Д для уравнительной линии 50 50 50 50 Е для проварки Ж люк-лаз 450 450 450 450