Горизонтальные стальные резервуары РГС, РГДС для нефтепродуктов
От 0 до 90 °C
до 9 баллов
ООО "НПО "Спецнефтемаш"
Типоразмеры в наличии:
Горизонтальные стальные резервуары (РГС) — это емкости цилиндрического типа, которые незаменимы при длительном, краткосрочном хранении нефтяных продуктов, горюче-смазочных веществ, спирта, масел, сырья. Их плотность не должна быть более 1 тн/м3.
Типы РГС, классификация
Вышеупомянутые горизонтальные стальные резервуары для нефтепродуктов можно разделить на три группы:
О производстве наших аппаратов
Крупнейшее на территории России предприятие ООО "НПО "Спецнефтемаш" осуществляет производство горизонтальных стальных цилиндрических резервуаров РГС и РГДС, имеющих объем до 200 м³. Наши аппараты предназначены не только для постоянного хранения, но и временного пребывания жидкостей (при приеме-раздаче), сырья, ГСМ. Температура хранения продуктов может варьироваться в широком диапазоне: от -60 до +90 градусов по Цельсию. Резервуар горизонтальный стальной – незаменимый агрегат в любом производстве, в каждом НПЗ или ином предприятии, связанном с добычей, переработкой или перегонкой нефти и нефтепродуктов.
Наши производственные цеха оборудованы по последнему слову техники: при изготовлении резервуаров РГС используется полуавтоматические сварочные аппараты и новейшие металлообрабатывающие роботы-станки. Подобный подход к процессам производства резервуаров РГС позволяет добиться самого высокого качества сборки. Издержки, связанные с ручным и малоэффективным трудом рабочих, снижены до минимума.
Для производства аппарата РГС с нестандартным размером составляется специальный проект, согласованный с заказчиком. Отталкиваясь от особенностей и специфики работы своего предприятия, клиент получает уникальную возможность выбрать параметры необходимого горизонтального резервуара. На выбор влияет множество факторов: физико-химические характеристики нефтепродуктов, особенности установочной площадки для резервуара и многое другое. ООО "НПО "Спецнефтемаш" осуществляет разработку конструкторской документации в соответствии с предпочтениями и требованиями своих заказчиков.
О технических параметрах
Каждый аппарат РГС представляет собой стальную цилиндрическую конструкцию, которая имеет плоские, сферические или конические днища. Объем резервуара составляет от 5 кубических метров (на примере РГС-5) до двухсот (РГС-200).
Наша продукция, предназначенная для постоянного или временного хранения нефтяных продуктов и их перегонки, способна справиться с нагрузками:
- РГС / РГДС с плоским днищем – до 0,04 Мпа;
- с коническим днищем – до 0,07 Мпа;
- температура нефтепродуктов, масел, спирта может варьироваться в диапазоне от -60 до +90 градусов;
- сейсмическая устойчивость наших емкостей (в т.ч. и РГС с подогревателем) составляет до 9 баллов (шкала Рихтера).
ООО "НПО "Спецнефтемаш" производит горизонтальные стальные резервуары для нефтепродуктов, срок службы которых составляет в среднем 20 лет.
| Тип аппарата | Давление, МПа | Объем, м3 | Диаметр, мм | Толщина стенок, мм |
| РГСп | 0,04-0,07 | 3 - 200 | 1600-3400 | от 5 |
| РГСн | 3 - 200 | 1600-3400 | от 4 | |
| РГСД | 3 - 100 | 1600-3000 | 4 + 4 |
Продукция производится в соответствии с государственными стандартами ГОСТ 34347-2017 (взамен устаревшего ГОСТ Р 52630-2012). Толщина стенок каждой емкости составляет не менее 4 миллиметров. Купить такой резервуар РГС – значит, обеспечить свое предприятие высококачественным и надежным оборудованием, которое будет служить на протяжении многих лет. Стоимость горизонтальных стальных емкостей РГС для хранения или перегонки нефтепродуктов зависит от многих факторов, один из которых - наличие внутренних секций. Такое оборудование позволяет успешно хранить сразу несколько видов сырья, обладающего различными химико-физическими свойствами. Мы изготавливаем резервуары для нефти и нефтепродуктов по ТУ3615-001-24009276-2015.
Материалы
Все резервуары горизонтальные стальные РГС, используемые для для хранения, перегонки нефтяных продуктов, изготавливаются из высококачественной стали:
- AISI 304 и 316;
- Ст3сп и 09Г2С;
- C-245 и С-345;
- 12Х18Н10Т.
Комплектация
Купить горизонтальные стальные цилиндрические резервуары РГДС, РГС и РГСП можно в разных комплектациях. Наиболее распространенной модификацией оборудования является стандартный набор. В него входят патрубки (водогрязеспускной и приемо-раздаточный), уровнемер, дыхательный клапан, замерный люк и люк-лаз, а внешнюю или внутреннюю систему подогрева, площадки для регулярного обслуживания, лестницы можно добавить по желанию заказчика, как и хомуты и другое вспомогательное оборудование.
Заказать резервуары горизонтальные стальные РГС сразу необходимой комплектации (будь то системы подогрева, приемно-отпускное оборудованием, фильтры или уровнемеры) – правильный подход с точки зрения дальнейшей более оптимальной и удобной эксплуатации. Впоследствии грамотно скомплектованнуюгоризонтальную стальную емкость РГС для нефтепродуктов не придется переделывать или каким-либо образом усовершенствовать.
Виды горизонтальных резервуаров
Горизонтальные резервуары (наземные)
Наземные резервуары РГСН - идеальны для хранения нефтяных продуктов, спиртовых эссенций и масел, плотность которых не превышает показателя 1000 килограммов на один кубический метр. Такие аппараты изготавливаются из высококачественной стали марок 09Г2С и Ст3сп5. Стандартный комплект РГСН состоит из железобетонной или металлической опоры, замерного патрубка, люка, штуцера-сигнализатора, водогрязеспускного и приемо-раздаточного патрубков. Данная конструкция с легкостью оборудуется металлической лестницей и обслуживающей площадкой. По желанию клиента монтируются воздушные клапаны, датчики и другое оборудование навесного типа.
Горизонтальные резервуары (подземные)
Подземные резервуары РГСП мы производим из лучшей легированной нержавеющей стали, предназначенной и сертифицированной для хранения пищевой продукции и сырья. В самых различных отраслях они применяются в качестве емкостей, выдерживающих повышенные температуры. Заказать РГС стальной можно с антикоррозийным слоем резиновой и битумной мастики, которая наносится по желанию клиента.
Двустенные резервуары РГД и РГСД
Данное оборудование бывает подземным и наземным. Двустенная горизонтальная емкость, как видно из названия, состоит из двух перегородок, представляющих собой так называемый резервуар в резервуаре. Межстенное пространство обычно заполняется азотом, этиленгликолем или же инертными газами, в зависимости от предпочтений заказчика и физико-химических свойств сырьевой базы. Подобный подход к производственным процессам позволяет обеспечить надлежащую безопасность при эксплуатации наших емкостей. Вероятность возникновения утечки сводится к минимуму, поскольку пространство между стенками оборудовано специальной системой, обеспечивающей откачку. Двустенные горизонтальные стальные РГС изготавливаются из нержавеющей стали, низкоуглеродистого и пищевого металла. Мы изготавливаем горизонтальный стальной резервуар для нефтепродуктов различного объема, который составляет от 1 до 200 кубических метров. Поэтому купить РГС могут владельцы небольших и крупных НПЗ, нефтедобывающих предприятий.
Защита от коррозии
Эффективная защита стальных резервуаров отвредных воздействий обеспечена особыми защитными материалами: мастиками и полимерными веществами, специальными антикоррозийными пленками, они и составляют гидроизоляционный слой. Благодаря этому оборудование может успешно эксплуатироваться на протяжении многих десятилетий.
Установка резервуаров для нефти
Наиболее правильное и рациональное решение заключается в том, чтобы купить горизонтальные стальные цилиндрические резервуары РГДС в Каспийске с установкой. Большие резервуары (от двухсот тонн и более) доставляются на площадку в разобранном виде, где монтируются специалистами нашего предприятия. Наземный монтаж осуществляется при помощи седловых опор, которые поддерживают конструкцию. Подземные емкости устанавливаются на песчаные подушки.
Конечная стоимость РГС зависит от места применения нашего оборудования. При низких температурах (до -40 градусов) можно использовать только малоуглеродистую сталь марки 09Г2С-6. При более сильных морозах резервуары изготовливают из дорогой низколегированной стали 09Г2С-8. Подземные емкости обходятся несколько дороже наземных, поскольку для их успешной эксплуатации требуются различные технические приспособления. Стоимость РГС также зависит и от толщины металла и использования защитных материалов. Нанесение антикоррозийного слоя – это увеличение сроков производства и конечной цены, но в этом случае эксплуатационный срок службы нашего резервуара увеличивается в несколько раз. Использование РГДС при низких температурах требует специальных обогревателей и теплоизолирующих материалов.
Требования к сейсмичности площадки строительства
Благодаря передовым технологиям производства, резервуарное и емкостное оборудование ООО НПО "Спецнефтемаш" способно выдерживать сейсмические воздействия вплоть до 9 баллов по шкале MSK-64. Проведенные в сентябре 2017 года испытания подтвердили это на практике, в результате чего был получен Сертификат Соответствия требованиям нормативных документов ГОСТ 30546.1-98, ГОСТ 30546.2-98, ГОСТ 30546.3-98.
Таким образом, если вам необходимо качественное резервуарное или емкостное оборудование при строительстве объектов нефте-газовой промышленности в сейсмически активных районах, ООО НПО "СпецНефтеМаш" готов удовлетворить ваш спрос.
Заказчикам
Сотрудники ООО "НПО "Спецнефтемаш" способны подобрать и рассчитать объем резервуара из стали, предназначенного для эксплуатации на конкретном предприятии. Доставка наших товаров осуществляется по всей стране посредством автомобильного и железнодорожного транспорта. Сотрудничаем и со странами ближнего зарубежья: Беларусью, Казахстаном, Киргизией, Арменией и др. Чтобы заказать необходимый стальной резервуар для нефтепродуктов, необходимо:
- связаться с нами по телефону;
- заполнить специальную форму (опросный лист), в которой указывается тип емкости, ее параметры, дополнительное оборудование. Заявку следует прислать по электронной почте: marketing@snmash.ru. А если вы находитесь в одном из городов (Пермь, Пенза, Казань, Москва, Краснодар, Тюмень), то можете встретиться с нашим представителем для решения всех вопросов.
Наши сотрудники обязательно с вами свяжутся в ближайшее время и проконсультируют по всем интересующим вопросам.
ООО "НПО "Спецнефтемаш" - это то предприятие, руководство которого нацелено на долгосрочное и перспективное сотрудничество со своими клиентами. Мы готовы рассмотреть ваши предложения, пожелания и замечания! Приемлемые цены и индивидуальный подход к каждому заказчику – вот основные приоритеты взаимовыгодного сотрудничества!
Типовые чертежи
ТЕХНИЧЕСКИЕ ХАРАКТЕРИСТИКИ
-
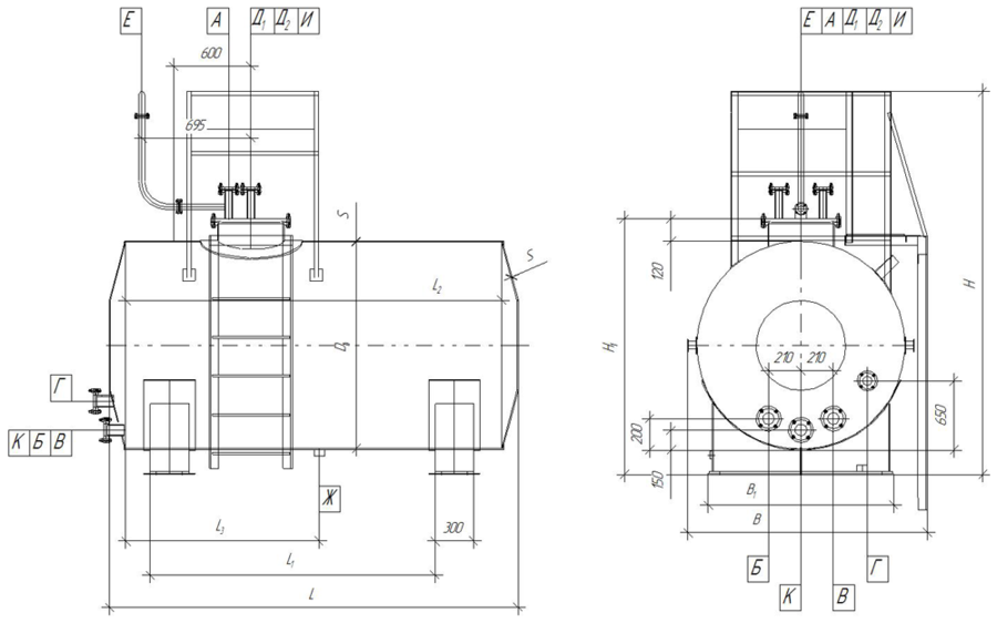
Размеры и параметры РГСН
Наименование параметра Обозначение аппарата Маркировка РГСН Вместимость, м³ 3* 5 10 Рабочее давление, МПа Налив Рабочее давление в подогревателе, МПа 0,4 Рабочая температура, °С От 0 до 90* Допустимая мин. темп. стенки резервуара, °С Исп. 1 Минус 40 Исп. 2 Минус 60 Внутренний диаметр резервуара, Дв, мм 1400 1600 2200 Длина резервуара, L, мм 2550 2785 3335 Расстояние между опорами, L1, мм 1960 2410 2750 Длина цилиндрической части резервуара, L3, мм 1980 2500 2840 Расстояние до штуцера дренажа L3, мм 700 1830 1100 Толщина корпуса резервуара, S/S1, мм 4/6 4/8 Ширина резервуара, В, мм 1700 1800 2400 Высота резервуара, Н, мм 2885*** 2835 3685 Высота резервуара при транспортировке, Н1, мм 1955 2050 2650 Площадь поверхности теплообмена, м² 2,0 3,2 Установленный срок службы, лет 10 Сейсмичность по 12-балльной шкале, балл 6 Группа резервуара по ОСТ 26.291-94 5а Среда в резервуарах Светлые, темные нефтепродукты (токсичная. класс опасности 4 по ОСТ 12.1.007-76, взрывоопасная категория II2 по ГОСТ Р 51330.11-99, группа взрывоопасности Т3 по ГОСТ Р 51330.05-99, пожароопасная) Среда в теплообменном устройстве Жидкость (нетоксичная, взрывобезопасная, пожаробезопасная) * —резервуар для светлых нефтепродуктов (объем 3 куб. метра). Производится без вентиляционной трубы и площадки обслуживания. Вместо вент-ой трубы устанавливают предохранительно-спускной клапан
** — спецификации рабочего температурного диапазона должны уточняться по опросному листу заказчика
*** — горизонтальный резервуар делают без площадкиТаблица штуцеров
Обозначение Назначение Кол-во Проход условный, Ду, мм Давление условное, Ру, МПа Тип уплотнительной поверхности А Люк замерный 1 150 — Гладкая Б Вход продукта 1 80 1,6 В Выход продукта 1 80 1,6 Г Вход теплоносителя 1 50 1,0 Д1,2 Для механизма управления хлопушкой 2 150 0,6 Е Для вентиляционной трубы 1 50 0,6 Ж Дренаж 1 G 3/4 - B — Резьба И Люк 1 800 0,1 Гладкая К Выход конденсата 1 50 1,0 Гладкая -
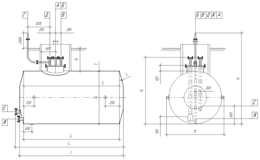
Основные размеры и параметры РГСП
Наименование параметра Обозначение аппарата Маркировка РГСП Вместимость, м³ 3 5 10 Рабочее давление, МПа Налив Допустимое избыточное давление, МПа 0,04 Рабочее давление в теплообменном устройстве, МПа 0,8 Рабочая температура, °С От 0 до 90* Допустимая мин. темп. стенки резервуара, °С Исп. 1 Минус 40 Исп. 2 Минус 60 Внутренний диаметр резервуара, Дв, мм 1400 1900 2200 Длина резервуара, L, мм 2895 2905 4065 Расстояние между опорами, L1, мм 2210 2390 3430 Длина цилиндрической части резервуара, L2, мм 2040 2050 3210 Толщина корпуса резервуара, S/S1, мм 4/6 8/8 Ширина резервуара, В, мм 1560 2060 2360 Высота резервуара, Н, мм 4725 5300 5630 Высота резервуара при транспортировке, Н1, мм 1715 2280 2580 Уровень засыпки, Н2, м 1200 1272 Площадь поверхности теплообмена, м² 2,0 3,2 Установленный срок службы, лет 10 Сейсмичность по 12-балльной шкале, балл 6 Группа резервуара по ОСТ 26.291-94 5а Среда в резервуарах нефтепродукты (токсичная. класс опасности 3 по ГОСТ 12.1.007-76, взрывоопасная категория IIА по ГОСТ Р 51330.11-99, группа взрывоопасности Т3 по ГОСТ Р 51330.05-99, пожароопасная) Среда в теплообменном устройстве Жидкость (нетоксичная, взрывобезопасная, пожаробезопасная) * — параметры рабочей температуры уточняются по опросному листу заказчика
Таблица штуцеров
Обозначение Назначение Кол-во Проход условный, Ду, мм Давление условное, Ру, МПа Тип уплотнительной поверхности А Для наполнения 1 80 1,0 Гладкая Б Для раздачи 1 80 1,0 В Для зачистки 1 50 1,0 Г Для вентиляции 1 50 0,6 Д Люк замерный 1 50 1,0 Е Для входа теплоносителя 1 — — — Ж Для выхода теплоносителя 1 — — — -
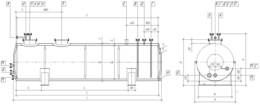
Основные размеры и параметры РГДСН
Наименование параметра Обозначение аппарата Маркировка РГДСН Вместимость, м³ 25 50 75 100 Рабочее давление, МПа Налив Рабочее давление, МПа В резервуаре Атмосферное В межстенном пространстве Атмосферное В теплообменном устройстве 0,8 Допустимое избыточное давление, МПа В резервуаре 0,035 В межстенном пространстве 0,02 Рабочая температура, °С Не более 40 Допустимая мин. темп. стенки резервуара, °С Исп. 1 Минус 40 Исп. 2 Минус 60 Внутренний диаметр резервуара, Дв1, мм 2320 2700 3000 Внутренний диаметр корпуса, Дв2, мм 2355 2740 3040 Длина резервуара, L, мм 6510 9285 11500 Расстояние между опорами, L1, мм 4400 5400 6100 Расстояние до опоры, L2, мм 790 1450 2150 Длина цилиндрической части резервуара, L3, мм 5910 8520 8000 10700 Длина цилиндрической части резервуара, L4, мм 5990 8600 8100 10800 Расстояние до люка П, L5, мм 1370 700 Толщина корпусов резервуара, S/S1, мм 4/6 6/6 Толщина днищ резервуара, S2/S3, мм 8/8 10/10 Ширина резервуара, В, мм 2555 2940 3240 Ширина опоры, В1, мм 2080 2460 Высота резервуара, Н, мм 2750 3720 4050 Площадь поверхности теплообмена, м² 6,6 7,7 Установленный срок службы, лет 12 Сейсмичность по 12-балльной шкале, балл Не более 6 Группа резервуара по ОСТ 26.291-94 5а Среда в резервуарах Светлые, темные нефтепродукты (токсичная. класс опасности 4 по ОСТ 12.1.007-76, взрывоопасная категория II2 по ГОСТ Р 51330.11-99, группа взрывоопасности Т3 по ГОСТ Р 51330.05-99, пожароопасная) Среда в теплообменном устройстве Жидкость (нетоксичная, взрывобезопасная, пожаробезопасная) Таблица штуцеров
Обозначение Назначение Кол-во Проход условный, Ду, мм Давление условное, Ру, МПа Тип уплотнительной поверхности А Для наполнения 1 100 0,6 Шип-паз Б Для выдачи продукта 1 80 0,6 Шип-паз В Линия обесшламливания 1 40 1,0 Гладкая Г Для дренажа межстенного пространства 1 40 0,6 Гладкая Д Для наполнения азотом межстенного пространства 1 40 0,6 Гладкая Е Для выхода воздуха 1 G ? -B — Резьба Ж Для дыхательного клапана резервуара 1 50 0,6 Гладкая И Для замерного устройства 1 150 0,6 Гладкая К Для датчика сигнализации наполнения 1 120 0,6 Гладкая Л Для датчика системы блокировки от переполнения 1 120 0,6 Гладкая М1, М2 Для входа и выхода теплоносителя 2 40 1 Гладкая Н Для сигнализатора «Сигма-1» 1 25 0,6 Шип-паз П Люк для установки технологического оборудования 1 800 0,3 Гладкая П1 Люк смотровой 1 800 0,3 Гладкая Р Для термометра 1 М27х2-7Н — Резьба С Для термометра 1 M27х2-7Н — Резьба Т Для манометра 2 G 1/2 — Резьба У Механизм управления хлопушкой 1 — — Гладкая





